Ein "Trick" ist, beim Layout Vorder- und Rückseite zu vertauschen, also das Layout auf die Rück(!)seite zu legen. Dann liegt die Order No. auf der Seite, wo sie hinterher nicht stört. Man muss dann im Layoutprogramm (z.B. KiCad quasi) "spiegelbildlich" arbeiten, aber das ist machbar.



Zeige doch mal den Schaltplan her. Warum sind die Rasterlinien auf deinem Oszi nicht in gleichmäßigem Abstand?Wieso das Signal von SAW Pin 8 sieht so komisch?
Zeige doch mal den Schaltplan her. Warum sind die Rasterlinien auf deinem Oszi nicht in gleichmäßigem Abstand?


Habe hier noch 3xVCO von Timo Rozendahl (https://www.munichen-audio.de/product_info.php?info=p45_timo-rozendal-cem3340-vco-pcb-panel.html)
Anhang anzeigen 183352
2Stück sind mit AS3340 DIL + 1Stück ist mit CEM 3340 bestückt. An allen IC´s direkt an PIN 8 das gleiche Signal (ca.7Vss)
Habe leider keine SMD Version von dem Chip zum gegentesten .
Mit Adapter soll aber auch das SMD Chip von coolaudio in der Schaltung laufen.
Anhang anzeigen 183351
Ist das bei Bürklin immer so? Hat jemand mit der Firma Erfahrung?
Doch da gibts auch eine Laden (nennt sich jetzt Beratungszone).jetzt sind sie im Speckgürtel, ohne Laden - waren aber eigentlich immer sehr zuverlässig
Das ist mir wurscht. Gedacht sind die für mich und einen Forumskollegen für das tkilla Output Modul.Anderer Schaft
Mal wieder nix wie Ärger.
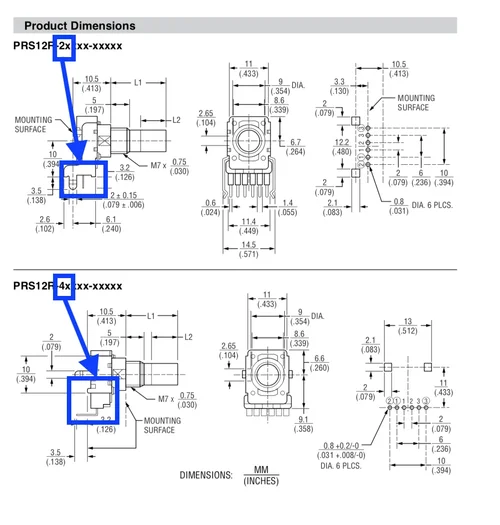
10 Poties bestellt und das sind laut Beschreibung auch ganz klar stehende.
Geliefert wurden dann liegende.PRS12R-2015K-103B1 | Bourns Electronics GmbH | Potentiometer | Bürklin Elektronik
Potentiometer ► PRS12R-2015K-103B1 von Bourns Electronics GmbH ► große Auswahl ab Lager ✓ Top-Marken ✓ sofort verfügbar ► jetzt bestellen!www.buerklin.com
Mouser und Digikey haben keine, die anderen fehlenden Teile fürs neue Projekt sind schon unterwegs von anderen Händlern und jetzt das. Ist das bei Bürklin immer so? Hat jemand mit der Firma Erfahrung?
An welcher Stelle hast du rausgelesen, dass es stehende sind? Sowohl in der verlinkten Beschreibung als auch im Datenblatt ist der Typ als gewinkelt angegeben. Lediglich das Bild zeigt einen stehenden, die sind aber nicht bindend.



Das war wohl dann mein Fehler. Dann sollten sie am Besten für die ganze Produktlinie von Bourns nur ein Musterbild reinstellen oder besser gar keins und nur die Datenblätter. Für mich sind die Bilder schon Orientierungshilfe beim Einkauf. Bei den großen Distributoren funktionierte das bei mir immer fehlerlos. Selbst bei kleinen Läden wie z.B. 3U oder UK Elektronik ist das besser organisiert. Liegende oder stehende Poties sind dort nicht zu verwechseln anhand auch eben der beigefügten Bilder.Lediglich das Bild zeigt einen stehenden, die sind aber nicht bindend.
Früher im Printkatalog hatte Bürklin immer die Grafiken aus den Datenblättern drin. Eigentlich ist Bürklin beim Online-Katalog auch sorgfältig. Ich denke, da ist halt mal ein Bild verwechselt worden (bei einem Warensortiment von mehreren 100tsd Produkten passiert das halt mal).Das war wohl dann mein Fehler. Dann sollten sie am Besten für die ganze Produktlinie von Bourns nur ein Musterbild reinstellen oder besser gar keins und nur die Datenblätter. Für mich sind die Bilder schon Orientierungshilfe beim Einkauf. Bei den großen Distributoren funktionierte das bei mir immer fehlerlos. Selbst bei kleinen Läden wie z.B. 3U oder UK Elektronik ist das besser organisiert. Liegende oder stehende Poties sind dort nicht zu verwechseln anhand auch eben der beigefügten Bilder.
Kann ich mich auch noch schwach an die dicken Kataloge in den 90ern erinnern. Ist jetzt nur die Frage, wie sie bei Bürklin reagieren und das haben sie bisher noch nicht getan. Und hinter der NCNR-Produkt Methode sich zu verstecken, bis dem Kunden die Luft ausgeht, wäre dann auch nicht die feine Art. Wenn die Leute bei Zalando Schuhe bestellen und sie nicht passen weil zu klein, ist auch ein Umtausch möglich. Abwarten und Tee trinken.Früher im Printkatalog hatte Bürklin immer die Grafiken aus den Datenblättern drin. Eigentlich ist Bürklin beim Online-Katalog auch sorgfältig. Ich denke, da ist halt mal ein Bild verwechselt worden (bei einem Warensortiment von mehreren 100tsd Produkten passiert das halt mal).



Folge dem Video um zu sehen, wie unsere Website als Web-App auf dem Startbildschirm installiert werden kann.
Anmerkung: Diese Funktion ist in einigen Browsern möglicherweise nicht verfügbar.