Neu

Experimentierfeld

  • #1.052
Nochmal das schöne "AusGeh" Geräusch meines Patches beim abschalten des SQ-64 :

Anhang anzeigen 144530
Ein optimales Ausgangsmaterial zur Verwurstung in meinen diversen FX2-Patches:

erste Bearbeitung:
Anhang anzeigen Ausgehgeräusch-drunken Glöckner-01.wav

zweite Bearbeitung (V1 erneut durch den FX2-Wolf gedreht):
Anhang anzeigen Ausgehgeräusch-drunken Glöckner-02.wav

dritte Bearbeitung (V2 erneut verwurstet):
Anhang anzeigen Ausgehgeräusch-drunken Glöckner-03.wav


oder mal was ganz anderes:

1657541145312.webp

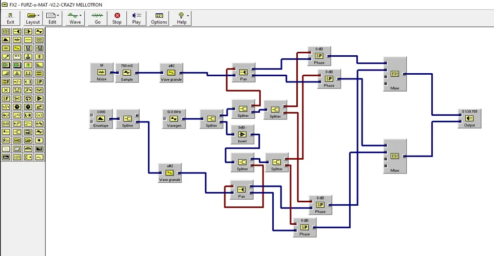
Hier das erzeugte Audiofile "CRAZY MELLOTRON":
Anhang anzeigen CRAZY MELLOTRON.WAV

Man kann in obiges Patch jedes beliebige WAV-File stopfen, z.B. auch einen Pfurz:
Anhang anzeigen FURZOMAT 2.0.WAV

Ich hör jetzt besser auf... (bevor es ausartet). ;-)
 
  • wunderbar
  • Daumen hoch
M.i.a.u.: MvKeinen, FOTOGRAF MARcX und GKMsound
  • #1.053
Ich hör jetzt besser auf... (bevor es ausartet). ;-)
...kann man bei den logikknoten die funktionen sehen und dran rummachen? das is chic!!!
hab zum wach werden eben das verselab angeschmissen.. die bearbeitung macht mich glaub glücklich und passt auf jeden track, hab ich ja 20 jahre geübt stile zu entwerfen für lightroom die auf ne ganze hochzeit passen und trotzdem immer das non plus ultra fürs bild darstellen... der trick ist dass man die im verbund wahrnimmt ... bei dem fehlen oben z.b. ca. 5% aber dafür is der bass gerade, sonst hattern bauch mit glanzlicht..
Anhang anzeigen wer weess was das soll rohbea122gekürz3033t_01.mp3
 
  • Hmm
  • Daumen hoch
M.i.a.u.: Miks und Area88
  • #1.054
...kann man bei den logikknoten die funktionen sehen und dran rummachen? das is chic!!!
Klar kann man das. Siehe auch hierzu meinen speziellen FX2-thread . Das ist eine unerschöpfliche Spielwiese und das Schöne gegenüber einem echten Modularsystem ist, dass man sich nicht irgendwelche Kabelverbindungen merken muss, sondern die ganze Verkabelung der Module mit dem Patch abspeichert. FX2 ist abandonware, wird also nicht mehr weiter entwickelt, kann man aber immer noch downloaden (läuft mindestens bis WIN10).

Gerade das "Rummachen" an den Modulparametern ist so ergiebig, dass es süchtig machen kann. Daher ist Vorsicht geboten! ;-)

Hier der download-Link für FX2: FX2
 
Zuletzt bearbeitet:
  • wunderbar
M.i.a.u.: FOTOGRAF MARcX
  • #1.055
Hier der download-Link für FX2: FX2
coool! na mal kieken ob mich das geflecht mag ...


https://soundcloud.com/marc-weber-892691742/feinslieble-roh-01-the-datacenter-acid-or-not?utm_source=clipboard&utm_medium=text&utm_campaign=social_sharing
Anhang anzeigen rüdiger rohbea221_01.mp3
den hab ich 4u kreiert grad

Gerade das "Rummachen" an den Modulparametern ist so ergiebig, dass es süchtig machen kann. Daher ist Vorsicht geboten! ;-)

HAB MAL REINGEFÜHLT, fühlt sich echt toll und butterweich an was den empfang des users zeitlich betreffend optimiert wurde, also die haptik über die maus im vergleich zu allem anderen scheiss... heftig schöne softwaren sowelche...
 
Zuletzt bearbeitet:
  • Hmm
M.i.a.u.: Miks
  • #1.057
@FOTOGRAF MARcX : Falls Du nicht klarkommst mit FX2, hier ein Rat von mir: Die Sweetspots muss man sich manchmal mühsam erarbeiten. Oft kommt aus einem Patch auch nur Geknatter oder Stille raus. Letzteres sieht man ganz unten beim Generieren der WAV-Datei daran, dass sich da nix entwickelt. Die Onboard-Hilfe ist nur auf einem älteren WIN (z.B. XP) einsehbar. Microsoft hat die Möglichkeit HELP-Dateien zu benutzen irgendwann gecancelt. Mit entsprechenden Tools kann man die Hilfe-Datei aber auch in ein PDF umwandeln und dann da nachsehen, was welcher Parameter in welchem Modul zu bedeuten hat. Ansonsten bleibt nur trial & error, aber auch da kann ja Spaß machen. Bei Interesse könnte ich ein paar FX2-Patches zippen und hier zum download anbieten... ;-)
 
  • wunderbar
M.i.a.u.: FOTOGRAF MARcX
  • #1.059
Zuletzt bearbeitet:
  • Hmm
  • Gute Idee
M.i.a.u.: PhilKeno und Miks
  • #1.061
also, es gibt hier Beispiele aus einer "Studio" Umgebung die klingen merklichst mieser..
 
  • #1.065
Das kann jetzt etwas wehtun @Audiohead :sowhat:

Die erste Nummer mit dem MBA.


Anhang anzeigen 146087

Entstanden mit 'nem nackten Live 11. Ohne Maxe, ohne Mastering-Tools, ohne Plug-ins. Gefasel mit dem internen Mic aufgenommen. Leschs Kugel-Gelöbnis ebenso, also via QT-Player von YT. Dazu noch 'ne Akustikklampfe auch via Mac-Mic. Da ich nicht spielen kann, hab ich's in kleine Riffs zerlegt und Lives Amp-Simulation und Overdrive drauf losgelassen.

Zusammengeklatscht mit Kopfhörer, abgemischt mit den internen Speakern des Macbooks. :meise:
Ich weiß also nicht wirklich wie's klingt.
das klingt doch sehr solide! Da tut nix weh.
Hassu Mac gekauft?
 
  • #1.076
Suitzer Harp Improvisation :

Anhang anzeigen Harp.mp3

Könnte man sicher noch schön elektronisch verwursten, aber ich hab bisher mehr Bock akustisch damit zu spielen.

DSC_0056.webp
 
  • wunderbar
  • HaHa
M.i.a.u.: Audiohead und FOTOGRAF MARcX
  • #1.077
Pro-10 FM Patch - ich bin schwer beeindruckt wie toll der mit FM klingt.
Im Patch hab ich den Vintage Knopf und Keyboard On/off automatisiert.(die Midi Implementierung ist wirklich vorbildlich!) - dabei das Filter langsam aufgedreht. Volante macht n bisschen Echo

Anhang anzeigen Pro10_FM1.mp3
 
Zuletzt bearbeitet:
  • Daumen hoch
  • Hmm
  • HaHa
M.i.a.u.: Audiohead, FOTOGRAF MARcX, JS-Sound und eine weitere Person

Neue Beiträge

News

Zurück
Oben