Jenzz
||||||||||
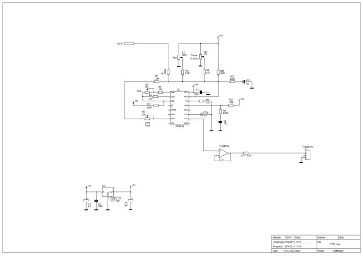
Hi Jenzz. Wenn die Spannung am VEE Anschluss (Pin3) nicht höher ist als -6.5 Volt kann die Einspeisung direkt erfolgen. So stehts in beiden Datenblättern (AS3340 u. CEM3340)
Anhang anzeigen 53998
Anhang anzeigen 54000
Moin .-)
Ja, bei -5V ist die Z-Diode ja quasi noch 'ausser Betrieb'.
Aber: Die Z-Diode ist ja mit auf dem Chip drauf (und kann quasi als 'Temperaturfühler' dienen) und hat auch Temperaturgang, der dann in den TempCo-Generator mit einginge. Dies passiert aber nicht, wenn man die Z-Diode nicht nutzt...
Ohne den 820 geht auch die Kopplung der beiden TempCo-Generator Zweige (Pin 1 + Pin2) verloren, denn der Spanungsabfall über den 820 (und die Tk-Wirkung der internen Z-Diode) wirkt ja auf beide Zweige. Dies geht verloren, wenn man beide Zweige direkt speist.
Jenzz
Zuletzt bearbeitet:

![A110-3-Micro[1].webp A110-3-Micro[1].webp](https://www.sequencer.de/synthesizer/data/attachments/43/43592-77d93af70f09aeeac44655c35810f16d.jpg?hash=I64aL6Xxhg)
![A110-3_02[1].webp A110-3_02[1].webp](https://www.sequencer.de/synthesizer/data/attachments/43/43594-bfe093cd13cf05309b029938257637ce.jpg?hash=3jzXu-wYgl)



![VCOone_03[1].webp VCOone_03[1].webp](https://www.sequencer.de/synthesizer/data/attachments/43/43794-2b78e93f0a2a0270a44d7c47111e5f15.jpg?hash=MvfFrXzOKw)
![VCOone_04[1].webp VCOone_04[1].webp](https://www.sequencer.de/synthesizer/data/attachments/43/43805-36ada78d58b66566f008a29c6c11ab1b.jpg?hash=3ABTi_uOef)
![SDS00001[1].webp SDS00001[1].webp](https://www.sequencer.de/synthesizer/data/attachments/43/43804-c28e1d97e3553dff6c2d515bb494088a.jpg?hash=g1a3tU5fCu)

