Neu

Dinsync RE-303 vs TB-303 - Eure Meinung?

  • #361
Ich habe auch eine RE303 von Klanggenerator und bin super zufrieden damit. Meine hat die Sonic Potions CPU und ich habe den Eindruck dass die Notenlängen minimal kürzer sind als bei den Originalen 303s, die ich früher mal hatte. Den Vergleich mit einer Pixie mach ich vielleicht irgendwann mal.
 
  • Daumen hoch
M.i.a.u.: citric acid, McModular und highsiderr
  • #363
Ich habe auch eine RE303 von Klanggenerator und bin super zufrieden damit. Meine hat die Sonic Potions CPU und ich habe den Eindruck dass die Notenlängen minimal kürzer sind als bei den Originalen 303s, die ich früher mal hatte. Den Vergleich mit einer Pixie mach ich vielleicht irgendwann mal.
Habe neben der TB u. a. auch eine RE mit Sonic und eine mit Pixie. Deinen Eindruck kann ich teilen, vielleicht ist es aber auch nur Einbildung. Hab eh beide REs leicht unterschiedlich gemoddet, somit ist der Vergleich ohnehin obsolet.
Allerdings muss ich sagen, dass ich den Sonic Potions Sequenzer vorziehe. Die Patterns zu bearbeiten während sie abgespielt werden finde ich sehr angenehm.

Rein klanglich wäre meine Rangfolge:
TB/ RE Pixie
RE Sonic
Avalon
TT v2
TD3 mod
TT v1
Eine Xoxbox hab ich nicht mehr und die Roland Interpretationen habe ich noch nie besessen, daher kann ich die nicht mit obigen Geräten vergleichen.

Ich würde jedem Liebhaber empfehlen sich eine RE zu löten und monatlich für das Original 50,- € zurückzulegen und sich dann nach ein paar Jahren eine zu holen. Wohlgemerkt, einem Liebhaber... Denn es ist schon etwas absurd für das Teil soviel Geld auszugeben bei den ganzen Alternativen heutzutage und 0815-Benutzer holen sich eine neue TD3 beim bösen A für 85,-€...
Das ist, btw, auch absurd...
 
  • Daumen hoch
M.i.a.u.: Tom Noise, highsiderr und McModular
  • #364
Hört auf jetzt.

Ich bin mit meiner RE-303 mit Sonic Potions sehr zufrieden. Ich will nicht die Pixie wollen. ;)
 
  • HaHa
  • Daumen hoch
M.i.a.u.: highsiderr und Tom Noise
  • #365
Ideal wäre wenn man eine CPU hätte die beide Betriebssysteme nutzen könnte so das man beim Start auswählen könnte welches man nutzen möchte.
Original oder Sonic Potion...

Die SP CPU gibt es nicht mehr sagt @Klangenerator .
Hätte mich aber eh für die Pixie entschied weil ich es so Original wie mögliche haben wollte.
 
  • Daumen hoch
M.i.a.u.: squelchy
  • #366
Die Sequencerbedienung ist allerdings bei der SP nicht zu unterschätzen. Lauflicht und schnelle bzw einfache Noten- und Gate-änderung im Nachhinein würden mir fehlen.
 
  • #370
Hier mal meine Clones die ich habe und wie ich sie bewerten würde.

1.Re-303
2.TD-3 mit mods
3.Xoxbox
4.TT-303 mk2
5.TD-3 ohne Mods
6.ML303 V4
7.MAB 303
8.Roland Aira TB3
du bist sicher du hast genug 303? ich würde nochmal nachzählen :)

Hätte mich aber eh für die Pixie entschied weil ich es so Original wie mögliche haben wollte.

solange die pixie keinen analogen vco als clock hat ist orginal nicht mal in reichweite.
 
Zuletzt bearbeitet:
  • Daumen hoch
M.i.a.u.: highsiderr
  • #373
Na ja es gibt ja alle möglichen sammel-ticks.

Bei mir ist es halt alles was irgendwie wie ne 303 bellt und quietscht.
Habe das einfach nicht unter Kontrolle.
 
  • Daumen hoch
M.i.a.u.: squelchy
  • #374
du bist sicher du hast genug 303? ich würde nochmal nachzählen :)



solange die pixie keinen analogen vco als clock hat ist orginal nicht mal in reichweite.
Da hast du recht.
Aber von der Bedienung her ist es 1:1.

Und dann schauen wir mal in das Firmware change log der Pixie CPU :

  • Timing experiments to get closer to original CPUs timing.

Keine Ahnung was da Progrmmiert wurde
aber es wurde auch ans Seq timing gedacht.
 
  • #377
solange die pixie keinen analogen vco als clock hat ist orginal nicht mal in reichweite.

Würde man das in einem Blindvergleich wirklich treffsicher erkennen können? Ich könnte das nicht.


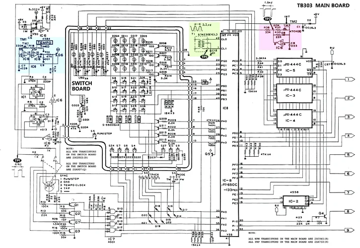
Kleiner Scherz: Die TB303 (=RE303 als 1:1 Schaltungsnachbau) hat gar keinen analogen VCO als Clock:
TB303-mainboard.webp

Es gibt drei Oszillatoren mit unterschiedlichen Frequenzen:

  • Den "Grünen" mit etwa 450kHz. Das ist der CPU-Takt, zu dem wird (prinzipiell) alles andere synchronisiert. Da ist auf der Platine allerdings kein kompletter Oszillator, wenn eine "Clone" CPU da auch das passende Bild auf dem Scope machen soll, muss man sich extra drum kümmern.

  • Den "Pinken" mit 555Hz (1,8ms) für den Interrupt, mit dem Takt arbeitet der Sequencer, das ergibt den Jitter des Noten-Timings. Diesen Clock *kann* eine RE/TB303 Clone CPU verwenden, das sieht man ihr von außen nicht an.

  • Den "Türkisen" der die BPM-Clock erzeugt, mit der DIN-Sync Frequenz von 24 Pulsen pro Viertelnote. Bei 120BPM (2Hz) also 48 Hz bzw. alle 21ms. Diese Clock *muss* jede TB/RE303 CPU verwenden, denn anders bekommt man das TEMPO-Poti nicht ausgelesen(*).


Der BPM-Clock wird zum Interrupt im 1,8ms Raster synchronisiert. Das kann die Pixie CPU (ziemlich einfach implementierbar) auch so machen.

Der analoge Schaltungsteil (hier nicht im Bild) macht dann noch mal 5ms (Größenordnung) Fehler dazu, plus den VCA-Decay, der analog erzeugt wird und der bei den verschiedenen Kisten etwas unterschiedlich ausfällt.

---
(*) für elaborierte Timing-Funktionen wie fein einstellbare Gate-Länge oder Swing müsste man diesen Takt CPU-intern ausmessen und dann, innerhalb der CPU, einen synchronen, aber schnelleren Takt erzeugen. Das hätte zwangsläufig eine gewisse Filterwirkung.
Sowas wird in den hart am Original angelegten Funktionsumfang der RE303 CPUs aber sowieso nicht gemacht.
 
  • Daumen hoch
  • hilfreich
M.i.a.u.: TGN, siebenachtel, morphhead und 4 andere
  • #379
das poste ich jetzt zum xten mal, einfach mal genau lesen wie complex das timing einer 303 ist und wieviele timingschwankungen dabei entstehen. wie oben schon erwähnt da werkeln mehrere clock mechanismen die mit interferenzen ineinandergreifen.

"The interaction of different clock sources and processing times in the interrupt routine in the digital section of the TB-303 brings a noticeable amount of fluctuations to the timing of the TB-303 sequencer."

das ist von sonic potions die auch die ersatz cpu machen. die simulieren vermutlich einen teil davon aber das ist wie eine analoge uhr simulieren, das tickt dann doch nicht so vermutlich. nur meine vermutung. kann durchaus sein dass das jemand 1:1 nachbaut.

606 und 808 haben im prinzip das gleiche eingebaut und da drftet das timing erheblich. da ist mir das aufgefallen.


.
 
Zuletzt bearbeitet:
  • #380
Trotzdem sei die Frage erlaubt, ob das irgendjemandem auffallen würde, wenn er nicht wüsste welche 303 mit welcher CPU da gerade werkelt.
 
Zuletzt bearbeitet:
  • Zustimmung
M.i.a.u.: siebenachtel
  • #381
Ich kenne das Paper vom Julian. Die Interrupt Routinen sind in der Pixie CPU 1:1 übernommen, denn die spielen sich ja komplett innerhalb der CPU ab und die machen den allergrößten Teil der Timing Schwankungen aus, da es dadurch mal etliche CPU Zyklen länger oder kürzer dauert, während der schwankende CPU Takt natürlich immer nur einen winzigen Bruchteil eines einzigen CPU Zyklus schwanken kann. Am Ende mach das aber nicht den Sound der 303, ich hatte jahrelang eine 303 neben der Avalon Bassline und konnte später nicht mehr erkennen, ob es nun die 303 oder die Avalon Bassline war, sofern ich nicht Einstellungen bei der Avalon Bassline verwendet hatte welche mit der 303 nicht möglich sind. Das ist ein großer Unterschied zur 909, wo die Shuffle Modi in Abhängigkeit vom Tempo ein unterschiedliches Timing erzeugen. Eine gewisse "Magie" liegt allerdings in den Störgeräuschen der 303 CPU, welche in den Audioweg leaken. Die können irre nerven, insbesondere wenn man Höhen stark anheben und dann den Sound stark komprimieren möchte, aber diese Störgeräusche ändern sich immer über die Zeit und wenn man dem dann mit Kopfhörer lauscht drängt sich mir der Eindruck auf, dass es ohne diese Störgeräusche zu sauber wäre. Insbesondere bei den digitalen Emulationen sind diese Störgeräusche nicht vorhanden und es klingt dadurch auch langweiliger, dafür kann man beim Abmischen sehr viel radikalere Einstellungen anwenden, ohne sich mit dem Noise rumzuschlagen. Beim Avalon sind solche Störgeräusche auch vorhanden, aber sie klingen anders. Interessanterweise kann man zur Minimierung dieser Störgeräusche die Step LEDs ausschalten, da die Störgeräusche insbesondere durch die Ansteuerung der LEDs entstehen - man merkt jedoch kaum einen Unterschied, weil die Störgeräusche beim Avalon von Störgeräuschen der zusätzlichen CPU außerhalb des integrierten 303-Boards überlagert werden.
 
  • Daumen hoch
  • hilfreich
M.i.a.u.: TGN und morphhead
  • #382
Habe ich das richtig verstanden, dass das Timing der original CPU auch dann noch schwankt, wenn die 303 synchronisiert wird?

Trotzdem sei die Frage erlaubt, ob das irgendjemandem auffallen würde, wenn er nicht wüsste welche 303 mit welcher CPU da gerade werkelt.
Mir jedenfalls nicht.
 
  • #384
Hörbarer unterschied...?

Einfach Kopfhörer auf und dieses Video starten aber nicht hinschauen.
Re303 mit Sonic Potion vs. Tb303.

Ob das glitze kleine bisschen an unterschied von der CPU kommt, kann glaube ich keiner mit sicherheit sagen.

Fakt ist, im mix hört das mit Sicherheit niemand.

Den selben test mit einer Pixie CPU in der Re303 fände ich interessant.


https://youtu.be/c64NROSLWYs
 
Zuletzt bearbeitet:
  • #385
Habe nun etwas zeit gehabt und zwei eigene pattern programmiert.
Dabei ist mir folgendes aufgefallen.

Der Slide eiert schön es ist als würde er auf dem zur nächsten Note ein wenig einbrechen um dann wieder volle fahr aufzunehmen...
Wenn man die Noten entsprechend wählt mit up, dow ,up ,down u.s.w. ergibt das einen heulenden sound den kein Clone den ich bisher genutzt habe so hinbekommt.
Die RE-303 Heult und Jammert dann Regelrecht....genau wie man das aus diversen alten Tracks kennt z.b. Heulender Wolf.
Auch so fällt auf das man ganz von allein mit dem Kopfwippen anfängt weil die Bude schön vor sich hin wobbelt.

Einfach Geil.....
 
Zuletzt bearbeitet:
  • Daumen hoch
M.i.a.u.: squelchy
  • #386
Habe heute den Lower CutOff mod verbaut.
Mein Ziel war den CutOff ein klein wenig abzusenken ohne das Open end zu beeinflußen.
Es sollte untenrum aber immer noch nach 303 klingen und nicht zu dumpf werden.

Also habe ich mit 22k und 47k Widerständen Experimentiert.
Bei 22k wurde die Re-303 genauso Dumpf wie meine Gemoddeten TD-3.

Das war mir aber zu Dumpf also habe ich mich für 47k parallel zu R47 (10k).
Das ganze ging ohne Probleme über die Rückseite der Platine zu machen.
Wie gesagt es ist nur ein klein wenig dumpfer aber es reicht mir.
Jetzt klingt sie für meine Ohren Perfekt.

Grüße
 
Zuletzt bearbeitet:
  • Daumen hoch
M.i.a.u.: Ral9005
  • #387
Habe heute den Lower CutOff mod verbaut.
Mein Ziel war den CutOff ein klein wenig abzusenken ohne das Open end zu beeinflußen.
Es sollte untenrum aber immer noch nach 303 klingen und nicht zu dumpf werden.

Also habe ich mit 22k und 47k Widerständen Experimentiert.
Bei 22k wurde die Re-303 genauso Dumpf wie meine Gemoddeten TD-3.

Das war mir aber zu Dumpf also habe ich mich für 47k parallel zu R47 (10k).
Das ganze ging ohne Probleme über die Rückseite der Platine zu machen.
Wie gesagt es ist nur ein klein wenig dumpfer aber es reicht mir.
Jetzt klingt sie für meine Ohren Perfekt.

Grüße
Genau darum geht es! Den Sound so zu modden, bis es DEINER ist. Wünsche dir viele Stunde der Freude und des Flows mit dem Teil! Bin mir sicher, du wirst beides haben ;)
 
  • Daumen hoch
M.i.a.u.: highsiderr
  • #389
Hat hier schon jemand den "Dice Roll Mod" an seiner RE303 probiert?
Das soll wohl die Resonaz ein bisschen heißer fahren oder so.

Letzte Seite in diesem Build Guide: http://sunshine-jones.com/wp-content/uploads/2018/07/RE-303v1.2BUILDGUIDE.pdf
Hatte ich probiert, war mir dann deutlich zuviel. Bin jetzt bei glaube ich 9,67k bei R97, müsste aber lügen, da es schon länger her ist, dass ich sie gemoddet habe. Das war mein Sweetspot. Mit 220k parallel musste ich die Resonanz immer etwas zurückdrehen, das mochte ich nicht. der Sweetspot sollte bei der Max-Reglerstellung sein... bei 220k parallel war es deutlich zuviel. Dazu muss ich aber auch sagen, dass ich den Cutoff im Vergleich zu anderen TBs /REs eher höher kalibriert habe; in Kombination mit einer leichten Redizierung bei R47, nach der Art wie Highsiderr 2 Posts oben es beschrieben hat...
Damit die 303 voll aufgedreht wie bei den alten X-Trax Sachen klingt.
Ich bevorzuge es für live wenn der Sweetspot bei den Max-Reglereinstellungen anliegt und ich nicht entweder das klangliche Potential durch zu vorsichtige Herangehensweise nicht erreiche oder aber den Punkt durch einen Millimeter zuviel Potidrehung überschreite. ;-)
 
  • Daumen hoch
M.i.a.u.: highsiderr und Tom Noise
  • #390
Hatte ich probiert, war mir dann deutlich zuviel. Bin jetzt bei glaube ich 9,67k bei R97, müsste aber lügen, da es schon länger her ist, dass ich sie gemoddet habe. Das war mein Sweetspot. Mit 220k parallel musste ich die Resonanz immer etwas zurückdrehen, das mochte ich nicht. der Sweetspot sollte bei der Max-Reglerstellung sein... bei 220k parallel war es deutlich zuviel. Dazu muss ich aber auch sagen, dass ich den Cutoff im Vergleich zu anderen TBs /REs eher höher kalibriert habe; in Kombination mit einer leichten Redizierung bei R47, nach der Art wie Highsiderr 2 Posts oben es beschrieben hat...
Damit die 303 voll aufgedreht wie bei den alten X-Trax Sachen klingt.
Ich bevorzuge es für live wenn der Sweetspot bei den Max-Reglereinstellungen anliegt und ich nicht entweder das klangliche Potential durch zu vorsichtige Herangehensweise nicht erreiche oder aber den Punkt durch einen Milimeter zuviel Potidrehung überschreite. ;-)
Ah interessant! Was genau bewirkt denn dieser parallele Widerstand? Eine stärkere Resonanz oder bekommt sie mehr Drive, sprich: Dreckiger? Ich frage das, weil ich damals 2 TB303 besaß, und die Resonanz war bei einer deutlich stärker als bei der anderen. Die wiederum lebendiger klang.
 
Zuletzt bearbeitet:

Neue Beiträge

News

Zurück
Oben