Miks
Nee, lass ma - 's geht auch so...
Hi Männers & Mädelz,
in Ermangelung eines solchen Synths bräuchte ich mal Unterstützung - ich 'suche' eine Spannung vom Netzteil.
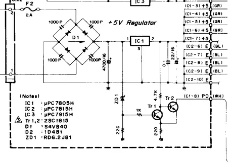
Stecker C5 auf der Netzteilplatine, Pin 1 (weißes Kabel), Signalname PD. Da bräuchte ich mal den Spannungswert, wenn der DX7 eingeschaltet ist (und natürlich fehlerfrei läuft). Keine weiteren Maßnahmen erforderlich (Tastendruck o.Ä.). Wäre klasse, wenn jemand mit DX7 Mk.I ('Brownie') mal Zeit und Lust hat, diesen Wert zu messen (ist 'ne Gleichspannung) und mir hier mitzuteilen...
Thx schomma vorab...
in Ermangelung eines solchen Synths bräuchte ich mal Unterstützung - ich 'suche' eine Spannung vom Netzteil.
Stecker C5 auf der Netzteilplatine, Pin 1 (weißes Kabel), Signalname PD. Da bräuchte ich mal den Spannungswert, wenn der DX7 eingeschaltet ist (und natürlich fehlerfrei läuft). Keine weiteren Maßnahmen erforderlich (Tastendruck o.Ä.). Wäre klasse, wenn jemand mit DX7 Mk.I ('Brownie') mal Zeit und Lust hat, diesen Wert zu messen (ist 'ne Gleichspannung) und mir hier mitzuteilen...
Thx schomma vorab...
Zuletzt bearbeitet:


