GuywithBass
Synthesizer Azubi
Hallo Gemeinde,
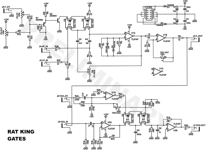
ich habe heute den GATES von Rat King Modular vor ein Paar Tagen fertig gelötet und montiert und gestern kalibriert.
Aber ich kann nicht alle Featchers nutzen, den irgend wie will der VCF nicht richtig in Resonanz kommen.
Dazu gibt es nach folgendes Video, das diese Funktion ab 3:15 beschreibt.
https://www.youtube.com/watch?v=-bBlbKyOdUs
Wenn überhaupt bekomme ich nur eine sehr schwache Resonanz, die in keiner Weise vergleichbar ist mit dem gezeigten Video.
Leider gibt es keinen Schaltplan, der mir einen Hinweis für die Schaltung gibt. Vom Hersteller bekomme ich auch keinen.

Es werden 4 Vactrols genutzt, ein TL074 (4fach op) und ein TL072 (2 Fachop) sowie ein 2N3904 und ein 2N3906. Der Steller für die Resonanz ist ein B10K Poti. Die anderen Beiden sind B100K.

Für meine Fehlersuch möchte ich vorher verstehen, wie hier die Resonanz im Filter erzeugt wird, bzw wissen welchen Filtertyp ich vor mir habe.
Der Filter hat zwei Eingänge. Einmal HP und einmal LP. Beides geht auf einen gemeinsamen Ausgang, der auf den Eingang des VCA normalisiert ist.
Meine Frage:
Welche art von Filter kann das sein?
Wie wird bei diesen üblicherweise die Resonanz beeinflusst?
Hilfreiche Kommentare, weiterhelfende Antworten und sachdienliche Links sind mir wie immer willkommen.
Gruß
GwB
ich habe heute den GATES von Rat King Modular vor ein Paar Tagen fertig gelötet und montiert und gestern kalibriert.
Aber ich kann nicht alle Featchers nutzen, den irgend wie will der VCF nicht richtig in Resonanz kommen.
Dazu gibt es nach folgendes Video, das diese Funktion ab 3:15 beschreibt.
https://www.youtube.com/watch?v=-bBlbKyOdUs
Wenn überhaupt bekomme ich nur eine sehr schwache Resonanz, die in keiner Weise vergleichbar ist mit dem gezeigten Video.
Leider gibt es keinen Schaltplan, der mir einen Hinweis für die Schaltung gibt. Vom Hersteller bekomme ich auch keinen.

Es werden 4 Vactrols genutzt, ein TL074 (4fach op) und ein TL072 (2 Fachop) sowie ein 2N3904 und ein 2N3906. Der Steller für die Resonanz ist ein B10K Poti. Die anderen Beiden sind B100K.

Für meine Fehlersuch möchte ich vorher verstehen, wie hier die Resonanz im Filter erzeugt wird, bzw wissen welchen Filtertyp ich vor mir habe.
Der Filter hat zwei Eingänge. Einmal HP und einmal LP. Beides geht auf einen gemeinsamen Ausgang, der auf den Eingang des VCA normalisiert ist.
Meine Frage:
Welche art von Filter kann das sein?
Wie wird bei diesen üblicherweise die Resonanz beeinflusst?
Hilfreiche Kommentare, weiterhelfende Antworten und sachdienliche Links sind mir wie immer willkommen.
Gruß
GwB










