Hallo zusammen,
Bei meinem Polysix den ich grad günstig bekommen hab gibts ne kleinigkeit die nicht funzt....
Vorneweg, er hat ne neue 367 platine also hatte er wohl mal irgendwann einen Schaden.. obs damit zusammenhängt weiss ich nicht.
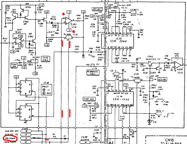
Alles läuft soweit sehr gut nur wenn ich auf PWM stelle und die speed einstelle gehen alle oscis bis auf den 6. ... sieht man ja ganz gut an den LEDs..
Also sprich man hört alle 6 Töne nur ein leissen wisspern.
vco auf Saw gestellt laufen alle 6 stimmen einwandfrei.
Versuch mich zwar rein zu denken, komm aber nicht drauf warum nur 1 osci nicht moduliert wird....
Zur not geht er natürlich in die werkstatt, aber evtl gibts ja Lösungsvorschläge :)
Grüsse
Sascha
Bei meinem Polysix den ich grad günstig bekommen hab gibts ne kleinigkeit die nicht funzt....
Vorneweg, er hat ne neue 367 platine also hatte er wohl mal irgendwann einen Schaden.. obs damit zusammenhängt weiss ich nicht.
Alles läuft soweit sehr gut nur wenn ich auf PWM stelle und die speed einstelle gehen alle oscis bis auf den 6. ... sieht man ja ganz gut an den LEDs..
Also sprich man hört alle 6 Töne nur ein leissen wisspern.
vco auf Saw gestellt laufen alle 6 stimmen einwandfrei.
Versuch mich zwar rein zu denken, komm aber nicht drauf warum nur 1 osci nicht moduliert wird....
Zur not geht er natürlich in die werkstatt, aber evtl gibts ja Lösungsvorschläge :)
Grüsse
Sascha
